MIWA,美和ロック 100BM 浴室錠(狭框用) [MIWA-100BM]
販売価格: 3,850円(税別)
(税込: 4,235円)
商品詳細
MIWA、美和ロック 100BM 浴室錠(狭框用)
戸厚、フロントサイズをオプションからご選択下さい。
オプションにより価格が変わる場合があります。
こちらの商品は少量在庫品になります。お急ぎのお客様は前もって納期の確認をお願いいたします。
メイン写真は100BM 100×25〜28 ST FT=Aになります。
【商品詳細】
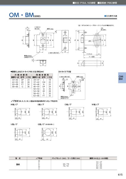
・戸厚は、25〜28ミリ、29〜32ミリからご選択いただけます。
・フロントサイズは
A型:(L)130mm×(W)25mm
A22型:(L)130mm×(W)22mm
M型:(L)110mm×(W)25mm
MS型:(L)110mm×(W)22mm からご選択いただけます。
・色はST(ステンレスヘアライン)色になります。
・標準ストライクはD-02になります。
実物と若干色合いが異なる場合があります。ご了承ください。
・バックセットサイズは100ミリになります。
・コンストラクションキー装置付BM-69型はご選択いただけません。
・公共住宅向けBM-Y型はご選択いただけません。
(ご選択できない商品をご希望のお客様はこちらからご購入いただけます。)
納期がかかる場合があります。お急ぎのお客様は前もって納期のご確認をお願いいたします。


