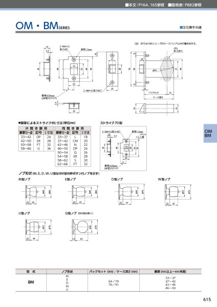
MIWA、美和ロック BMシリーズ 浴室錠 [MIWA-BM]
MIWA、美和ロック BMシリーズ 浴室錠
[MIWA-BM]
販売価格: 5,635円(税別)
(税込: 6,198円)
オプションにより価格が変わる場合もあります。
商品詳細
MIWA、美和ロック BMシリーズ 浴室錠
内側押しボタン式で外側非常開装置付の錠前です。

オプションにより価格が変わる場合があります。
こちらの商品は全て受注生産品になります。納期が実働30日前後かかります。
通常在庫品をご希望のお客様はこちらからご購入いただけます。
色はST(ステンレスヘヤーライン)色のみになります。
下記商品をご希望のお客様は別途お問い合わせください。
- BMSシリーズ(フロント幅22mm)
- 狭框用100BMシリーズ
- 公共住宅向け BM-Y型
実物と若干色合いが異なる場合があります。ご了承ください。


