MIWA,美和ロック LAL-2Aレバーハンドル錠(常時自動施錠タイプ)MIWA LAL50-2A [MIWA-LAL2A]
販売価格: 19,056円(税別)
(税込: 20,961円)
商品詳細
MIWA,美和ロック LAL-2Aレバーハンドル錠(常時自動施錠タイプ)
こちらの商品は、少量在庫品です。
在庫切れの場合は納期がかかる場合がございます。お急ぎのお客様は前もって納期のご確認をお願いいたします。
ご選択できないタイプをご希望のお客様はこちらからご購入いただけます。

写真はU9LAL51-2A型になります。
※写真のレバーハンドル形状は51型になりますが、こちらからの販売は下記写真の50型のステンレスヘヤーライン(ST)色になります。
販売商品詳細
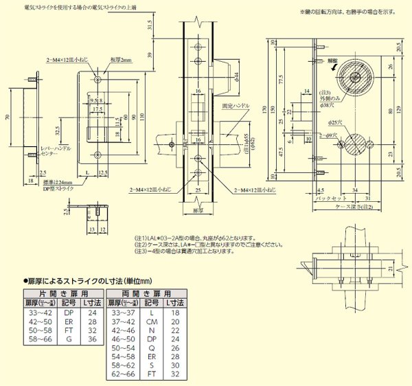
・バックセット(BS)は「51mm」、「64mm」からバリエーションでご選択いただけます。
※バックセットとは扉縁からシリンダーセンターまでのサイズを言います。
・シングルスロー方式の自動施錠です。電気ストライクと組み合わせてご使用になれます。
・外側のレバーハンドルは常時固定なので扉を閉めると常時自動施錠となります。
・外側からはキーでラッチを引っ込めて解錠します。
・キーでラッチを引っ込めるとラッチは引っ込んだままの状態になり、扉を開けるとラッチが戻るという
ラッチホールドリリース機能がありますので、片手で扉解錠開扉ができます。
・内側から常時レバーハンドルでラッチを引っ込めて解錠します。
こちらからご注文の場合、ご選択いただけない事項
(ご選択できない商品をご希望のお客様はこちらからご購入いただけます。)
・戸厚は33mm以上〜42mm未満
・シリンダーはU9シリンダー(G1)キー3本つきになります。
・型式はU9LAL-2A型になります。
・こちらの商品は、片開き扉用になります。
両開き扉用をご希望のお客様は別途お問い合わせください。
(片開き用と両開き用の違いは「ストライクのL寸法」になります。)
・レバーハンドル形状は50型になります。下の画像をご確認下さい。
・色はST色(ステンレスヘヤーライン)になります。
下記の画像は参考例となります。

商品の機能については下記の図をご参照下さい。

商品の外観切欠図は下の図をご確認ください。


