ショウワ,Showa【鍵の卸売りセンター】プッシュプル錠 PPR-T
ショウワ,Showa プッシュプル錠 PPR-T [SHOWA-PPR-T]
ショウワ,Showa プッシュプル錠 PPR-T
[SHOWA-PPR-T]
販売価格: 21,000円(税別)
(税込: 23,100円)
商品詳細
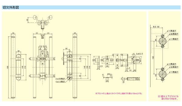
ショウワ,Showa プッシュプル錠 PPR-T
ワンタッチで扉を開閉し、様々なお部屋の用途に対応。
片開き扉用可動側内外ハンドルセットになります。両開き用、両開き用固定側ハンドルの取り扱いはありません。ご了承ください。
メイン写真は、可動側ハンドルを内外から撮った写真になります。

納期が実働30日前後(土日祝日含まない)かかります。お急ぎのお客様は前もって納期のご確認をお願いいたします。


