KEYLEX,キーレックス 3100シリーズ 自動施錠・空錠切替付 [K323CF,K323CMF]
販売価格: 35,163円(税別)
(税込: 38,679円)
オプションにより価格が変わる場合もあります。
商品詳細
KEYLEX,キーレックス3100 自動施錠・表示錠切替付
【商品情報】
こちらの商品はKEYLEX,キーレックス3100 自動施錠・表示錠切替付
こちらの商品は、納期が実働2〜3週間前後かかる商品になります。
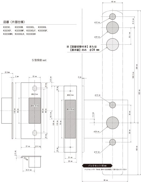
横幅40mmのスリムなデザインに、扉から外すことなく番号の変更ができる
「クイックナンバーチェンジ」機能を搭載した最新のモデルです。
自動施錠機能により、扉の閉め忘れを防止します。
こちらの商品は、暗証番号の変更を、「キー」を使用して行う仕様です。
■タイプ
下記から、オプションでタイプをご選択ください。
詳細は商品画像をご確認ください。
・K323CF(自動施錠・空錠切替付)
*付属されているキーの本数は通常2本です。
*他社シリンダーは組み込めません。
・K323CMF(自動施錠・鍵付・空錠切替付)
*シリンダーはキーレックスの底面に付きます。
*標準で緊急解錠用シリンダー ( 室外側底面部 ) と記憶番号変更用シリンダー ( 室内側上部 ) は同じ鍵番号になります。( 付属キー2本 )
*他社シリンダーは組み込めません。
■仕上
下記3色から、オプションで仕上げをご選択ください。
・AS ( シルバー ) 塗装
・AB ( アンバー ) 塗装
・BL ( ブラック ) 塗装
・VSA ( 抗ウイルスシルバーアッシュ ) 塗装
※VSA以外には標準でカバーが同梱されております。
■材質:アルミ
■標準扉厚:30 ~ 45mm
■バックセット(BS):60mm
■記憶番号通り数:4096通り
■適応扉重量:60kg以下
■錠前:ADS錠
■受座:S型受座
