ご利用案内
お支払い方法
お問い合わせ
特定商取引法表示
鍵交換と防犯対策商品に特化した鍵専門の通販サイト
ログイン
会員様
カート
を見る
お問い合わせ
検索
メーカー別で探す
型番別で探す
用途別で探す
商品カテゴリ
全商品
セール・訳アリ激安品
無料サービス品(購入金額別)
合鍵、スペアキー、カード
各種装置加算料
マスター装置加算料
同一キー加算料
セキュリティ認証IDシステム加算料
お住いの建物から探す
一戸建て
アパート
マンション
型番から探す
用途から探す
引き違い戸錠
レバーハンドル錠
自動施錠錠
室内錠
クレセント(窓の鍵)
公団錠
プッシュプル錠
玉座(ノブ)
アンティーク・サムラッチ錠
ロックケース
トイレ錠
トイレ錠(カンヌキ)
郵便ポスト錠
シャッター錠
ハンドル錠
デスク・ロッカー錠
補助錠
電気錠システム
防犯サムターン
南京錠
カムロック
メーカー別シリンダー
MIWA(美和ロック) U9
MIWA(美和ロック) PR
MIWA(美和ロック) JN
MIWA(美和ロック) ダミーシリンダー
GOAL(ゴール)
WEST(ウエスト) ディンプルキーシリンダー
WEST(ウエスト) ノーマルピンシリンダー
家研・ベルウェーブ
KABA(カバエース・カバスタープラス)
ABLOY(アブロイ)
ALPHa(アルファ)
KEYLEX(キーレックス)
KODAI(古代)
LIXIL(リクシル・トステム)
YKKAP
AGENT(エージェント)
マルティロック
U-SHIN SHOWA(ユーシンショウワ)
三協立山アルミ
新日軽
SEPA(セパ・日中)
FUKI(フキ・ティアキー)
LOCKMAN JAPAN(ロックマンジャパン)
オーシマ
クイックセットタイタン
メーカー別錠前セット
MIWA(美和ロック)
GOAL(ゴール)
U-SHIN SHOWA(ユーシンショウワ)
KEYLEX(キーレックス)
KABA(カバエース・カバスタープラス)
WEST(ウエスト)
KODAI(古代)
ジョープリンス竹下
ALPHa(アルファ)
川口技研
シーズンテック
LOCKMAN JAPAN(ロックマンジャパン)
ノムラテック
CARP(カープ)
NOAKEL(ノアケル)
日本ロックサービス
Kシリーズ・朝日工業
不二サッシ
DAIKEN(ダイケン)
マイレット
ロックケース
MIWA(美和ロック)
LIXIL(リクシル・トステム)
U-SHIN SHOWA(ユーシンショウワ)
KODAI(古代)
三協立山アルミ
川口技研
YKKAP
GOAL(ゴール)
WEST(ウエスト)
ALPHa(アルファ)
Clavis(クラビス)
ドアクローザー
MIWA(美和ロック)
NEW STAR(ニュースター)
RYOBI(リョービ)
戸車
家研販売
ヨコヅナ
メンテナンス用品・キーボックス・その他
非常用プラカバー
メンテナンス用品
キーボックス
取付金具・調整具
キーホルダー・キーアクセサリー
文字サイズ
:
77777777777777777777
ホーム
ショッピングカート
新規登録はこちら
ログイン
※型番は「すべて全角」または「すべて半角」で検索していただくと見つけやすいです
商品カテゴリ一覧
鍵交換 激安在庫処分
おすすめ商品
お勧めリンク
特定商取引法表示
ご利用案内
お問い合せ
ホーム
>
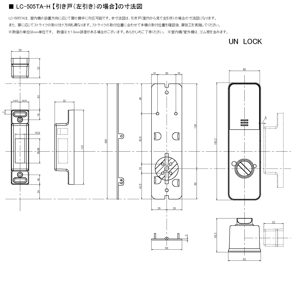
LOCKMAN,ロックマン LC-505TA-H / LC-505TA-D 取付説明書 / 取付展開図
【LC-505TA-H(引き戸対応)取付説明書】
【LC-505TA-H 右引き 取付展開図】
【LC-505TA-H 左引き 取付展開図】
【LC-505TA-D(標準対応)取付説明書】
【LC-505TA-D 外開き・右勝手 取付展開図】
【LC-505TA-D 外開き・左勝手 取付展開図】
JavaScriptを有効にしてご利用ください