鍵交換はDIYがお得です。鍵の卸売りセンターなら1個から卸売り販売 DIYの鍵交換と防犯対策を応援しております。
オプションにより価格が変わる場合もあります。

防犯性能が極めて高い面付箱錠です。
こちらの商品はご注文後の手配品になります。納期は30日から(繁忙期、引越しシーズン等はさらに納期がかかります。)が納期の目安になります。ご注文前に予めご了承ください。
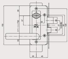
写真はV-MXJ NU(R) TME ※NU型レバー、R型(右吊元外開勝手)、TME型防犯サムターンを示すになります。
住宅玄関、主要出入口などの用途があります。(外開き扉専用)
バリエーションでご選択いただける事項
・レバーハンドルをNU型、DU型からご選択いただけます。
・勝手をR型(右吊元外開き)、L型(左吊元外開き)からご選択いただけます。
勝手については、MXJ,MXLの勝手と対応する扉の勝手との関係を参照してください。

ご選択いただけない事項(ご選択できない商品をご希望のお客様は別途お問い合わせください。)
・シリンダーはご選択いただけません。V18シリンダーのみとなります。
・戸厚(mm以上〜mm未満)はご選択いただけません。35〜40のみとなります。
・色はご選択いただけません。画像の色を参照してください。
・オプションのキーチェンジシステムはご選択いただけません。
商品の特長については下記の図をご参照下さい。


商品の仕様については下記の表をご確認ください。

外形図・切欠図については、下の図をご確認ください。


