鍵交換はDIYがお得です。鍵の卸売りセンターなら1個から卸売り販売 DIYの鍵交換と防犯対策を応援しております。
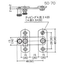
写真はD-31-2になります。
実物と写真は色合いが若干異なる場合があります。ご了承下さい。
こちらの商品に取付用ビスは付属いたしません。別途ご用意下さい。
こちらの商品はバリエーションでタイプ(サイズ)と色をご選択下さい。
[タイプ(サイズ)]
D-31-1 50
D-31-2 70
()内の数字がD-31-2 70になります。

商品番号
D-31-1 50
D-31-2 70
材質 SUS304
仕上げ バレル研磨
こちらの商品はご注文後、メーカー手配品になります。お急ぎのお客様は前もって納期をお問い合わせください。