鍵交換はDIYがお得です。鍵の卸売りセンターなら1個から卸売り販売 DIYの鍵交換と防犯対策を応援しております。
オプションにより価格が変わる場合があります。
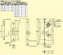
写真はU9ANS51-1型 ST(シルバー色)です。
実物と写真は色合いが若干異なる場合があります。ご了承ください。
シルバー色以外をご希望のお客様は別途お問合わせください。
シリンダーはU9シリンダーになります。U9シリンダー以外をご希望のお客様は別途お問合わせください。
こちらのサイトからご注文の場合ハンドル形状は写真の51型になります。51型以外のハンドルをご希望のお客様は別途お問合せください。
こちらのサイトからのご注文は1型(シリンダーサムターン)のご注文のみになります。2型(シリンダーのみ)、3型(サムターンのみ)、4型(両面シリンダー)をご希望のお客様は別途お問合わせください。

・扉厚をバリエーションでご選択いただけます。
ストライクはお客様ご選択扉厚の片開き用が附属されます。両開き用をご希望のお客様は別途お問合わせください。
・BSバックセットは38ミリのみの設定です。38ミリですので狭框扉にもご使用いただけます。


(特徴)
・フラットラッチ機構を採用したレバーハンドルタイプの電気錠です。
・瞬時通電により施錠または解錠します。・通電する極性により施錠または解錠します。
・開扉時にはデッドロッキングラッチが引っ込んだままになるので(フラットラッチ機構)、扉を閉める時の力(ラッチング力)がなくなりました。扉が閉まると自動的にラッチが出ます。
・キーまたはサムターンで施解錠できます。
・電気錠の施解錠および扉の開閉の状態を電気的に確認できます。(無電圧接点出力)
・施錠時にはレバーハンドルが固定されます。
・停電時は停電前の状態のままです。
・シリンダーはU9シリンダーになります。U9シリンダー以外をご希望のお客様は別途お問合わせください。

大規模なキープランが可能
タンブラーは9列9枚で4段変化のものを使用していますので、カギ違いの数は、150,994,944通りにもなり、各種キープランに対応可能です。ますます、複雑、大規模になって行く、建物のキープランも、余裕をもって対応できます。

優れた防犯性
安全性に優れたロータリータンブラーに加え、タンブラーが9枚、キーの切り込み深さが4段変化となり、耐ピッキング性能は、一段と向上しています。

耐かぎ穴壊し性能に3グレード
シリンダーの耐かぎ穴壊し性能の高低によりG1〜G3の3グレードあります。錠の取付場所を考慮して最適な性能のものをお選びいただけます。錠前の性能表示の耐かぎ穴壊し性能の項目をご参照ください。
可能キーシステム
マスターキーシステム
グランドマスターキーシステム
グレートグランドマスターキーシステム
マルチマスターキーシステム
逆マスターキーシステム
同一キーシステム
コンストラクションキーシステム
ディスプレイキー、エマージェンシーキーシステム
・扉と枠のチリ寸法は6ミリ以内としてください。
・マグネットがストライクの上側になるように、左右勝手に応じて付け替えてください。
・電気錠の切欠には通線とブッシングの余裕をみてください。(10mm程度)
